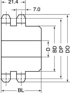
■2列スプロケットは2列新B型(片ボス一体構造)となっています。
■B型は材質機械構造用炭素鋼で歯先高周波焼入しています。
三興製作所
M40 スプロケット 2列新B型
詳細仕様
32件の型式
| 型式 |
チェーン No |
形状 | 歯数 |
外径 O.D. (mm) |
ピッチ径 P.C.D. (mm) |
歯底円 直径 (mm) |
歯幅 T (mm) |
ボス径 BD (mm) |
ボス長 BL (mm) |
軸孔径B(mm) |
概略 質量 (kg) |
|
|---|---|---|---|---|---|---|---|---|---|---|---|---|
| 下孔 | 最大 | |||||||||||
| M40-2B54 | 40 | 2B | 54 | 226 | 218.42 | 210.47 | 7.0 | 97 | 50 | 17 | 63 | 7.2 |
| M40-2B60 | 40 | 2B | 60 | 250 | 242.66 | 234.71 | 7.0 | 107 | 50 | 17 | 63 | 9.2 |
| 型式 | 商品コード | 単位 |
価格 (円) |
基準納期 | |
|---|---|---|---|---|---|
| 日伝 | メーカー | ||||
| M40-2B54 | M40-2B54 | P | 9,700 | - | - |
| M40-2B60 | M40-2B60 | P | 10,300 | - | - |
この製品を見た人はこのような製品も見ています
製品についてのご質問やお困りごとなどお気軽にご相談ください!
Loading...

