■短納期軸穴加工付スプロケット
・サンコーの標準スプロケットSANKO Mシリーズに軸穴加工を施し納品いたします。
・軸穴、キー溝、セットスクリュ―加工などお客様のニーズに合わせて加工します。
・材料は、標準品と同じ機械構造用炭素鋼で鋳造後、機械加工を施しています。
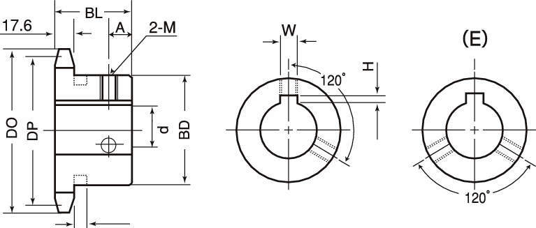
・軸穴加工は、モータ・変速減速機等でよく使用される軸径を中心にして穴加工を設定し、H7公差で加工しています。
・歯先高周波焼入加工を施していますので、焼きむらがなく均一な強度があります。
・キー溝加工・キー合わせ済。新JIS規格の平行キー並級にもとづき加工しています。キー幅の許容差はH7です。又、全て歯先に揃えて加工しています。
三興製作所
MS100 軸穴加工付スプロケット 1列新B型
詳細仕様
61件の型式
| 型式 |
チェーン No |
形状 | 歯数 |
外径 O.D. (mm) |
ピッチ径 P.C.D. (mm) |
歯底円 直径 (mm) |
歯幅 T (mm) |
ボス径 BD(mm) |
ボス長 BL(mm) |
A (mm) |
軸穴径d |
キー溝W×H (mm) |
タップM |
概略質量 (kg) |
|
|---|---|---|---|---|---|---|---|---|---|---|---|---|---|---|---|
| (mm) | 許容差 | ||||||||||||||
| MS100B21-D60 | 100 | 新B | 21 | 229 | 213.03 | 193.98 | 17.6 | 107 | 50 | 16 | 60 | 0/+0.030 | 18×4.4 | M12 | - |
| 型式 | 商品コード | 単位 |
価格 (円) |
基準納期 | |
|---|---|---|---|---|---|
| 日伝 | メーカー | ||||
| MS100B21-D60 | MS100B21-D60 | P | 12,100 | - | - |
この製品を見た人はこのような製品も見ています
製品についてのご質問やお困りごとなどお気軽にご相談ください!
Loading...

