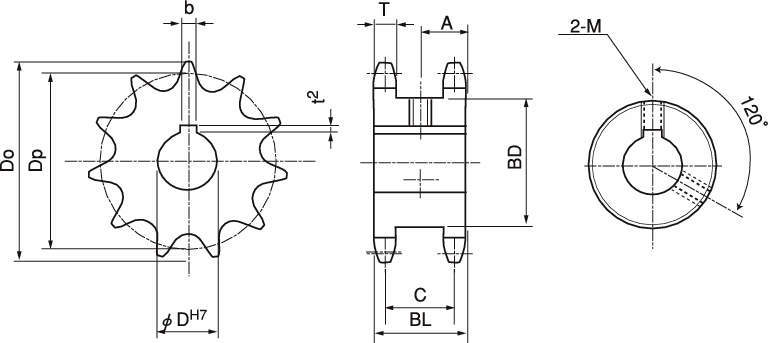
■短納期軸穴加工付スプロケット
・サンコーの標準スプロケットSANKO Mシリーズに軸穴加工を施し納品いたします。
・軸穴、キー溝、セットスクリュ―加工などお客様のニーズに合わせて加工します。
・材料は、標準品と同じ機械構造用炭素鋼で鋳造後、機械加工を施しています。
・軸穴加工は、モータ・変速減速機等でよく使用される軸径を中心にして穴加工を設定し、H7公差で加工しています。
・歯先高周波焼入加工を施していますので、焼きむらがなく均一な強度があります。
・キー溝加工・キー合わせ済。新JIS規格の平行キー並級にもとづき加工しています。キー幅の許容差はH7です。又、全て歯先に揃えて加工しています。
三興製作所
MS50SD シングル2本掛軸穴加工付スプロケット
詳細仕様
43件の型式
| 型式 |
チェーン No |
形状 | 歯数 |
外径 O.D. (mm) |
ピッチ径 P.C.D. (mm) |
歯幅 T (mm) |
ボス径 BD (mm) |
ボス長 BL (mm) |
C (mm) |
A (mm) |
軸穴径 d |
キー溝 W×H (mm) |
タップ M |
|
|---|---|---|---|---|---|---|---|---|---|---|---|---|---|---|
| (mm) | 許容差 | |||||||||||||
| MS50SW-15-D25 | 50 | SW | 15 | 84 | 76.35 | 8.7 | 59 | 40 | 31.3 | 20 | 25 | 0/+0.021 | 8×3.3 | M8 |
| MS50SW-15-D28 | 50 | SW | 15 | 84 | 76.35 | 8.7 | 59 | 40 | 31.3 | 20 | 28 | 0/+0.021 | 8×3.3 | M8 |
| MS50SW-15-D30 | 50 | SW | 15 | 84 | 76.35 | 8.7 | 59 | 40 | 31.3 | 20 | 30 | 0/+0.021 | 8×3.3 | M8 |
| MS50SW-15-D35 | 50 | SW | 15 | 84 | 76.35 | 8.7 | 59 | 40 | 31.3 | 20 | 35 | 0/+0.025 | 10×3.3 | M8 |
| MS50SW-16-D25 | 50 | SW | 16 | 89 | 81.37 | 8.7 | 64 | 40 | 31.3 | 20 | 25 | 0/+0.021 | 8×3.3 | M8 |
| MS50SW-16-D28 | 50 | SW | 16 | 89 | 81.37 | 8.7 | 64 | 40 | 31.3 | 20 | 28 | 0/+0.021 | 8×3.3 | M8 |
| MS50SW-16-D30 | 50 | SW | 16 | 89 | 81.37 | 8.7 | 64 | 40 | 31.3 | 20 | 30 | 0/+0.021 | 8×3.3 | M8 |
| MS50SW-16-D35 | 50 | SW | 16 | 89 | 81.37 | 8.7 | 64 | 40 | 31.3 | 20 | 35 | 0/+0.025 | 10×3.3 | M8 |
| MS50SW-16-D40 | 50 | SW | 16 | 89 | 81.37 | 8.7 | 64 | 40 | 31.3 | 20 | 40 | 0/+0.025 | 12×3.3 | M8 |
| MS50SW-17-D25 | 50 | SW | 17 | 94 | 86.39 | 8.7 | 68 | 40 | 31.3 | 20 | 25 | 0/+0.021 | 8×3.3 | M8 |
| 型式 | 商品コード | 単位 |
価格 (円) |
基準納期 | |
|---|---|---|---|---|---|
| 日伝 | メーカー | ||||
| MS50SW-15-D25 | MS50SW-15-D25 | P | 3,320 | - | - |
| MS50SW-15-D28 | MS50SW-15-D28 | P | 3,320 | - | - |
| MS50SW-15-D30 | MS50SW-15-D30 | P | 3,320 | - | - |
| MS50SW-15-D35 | MS50SW-15-D35 | P | 3,320 | - | - |
| MS50SW-16-D25 | MS50SW-16-D25 | P | 3,880 | - | - |
| MS50SW-16-D28 | MS50SW-16-D28 | P | 3,880 | - | - |
| MS50SW-16-D30 | MS50SW-16-D30 | P | 3,880 | - | - |
| MS50SW-16-D35 | MS50SW-16-D35 | P | 3,880 | - | - |
| MS50SW-16-D40 | MS50SW-16-D40 | P | 3,880 | - | - |
| MS50SW-17-D25 | MS50SW-17-D25 | P | 4,120 | - | - |
この製品を見た人はこのような製品も見ています
製品についてのご質問やお困りごとなどお気軽にご相談ください!
Loading...

