SJ-75
-
SJ-75
-
SUIJ-75
-
SJ-100
-
SUIJ-100
-
SJ-130
-
SUIJ-130
-
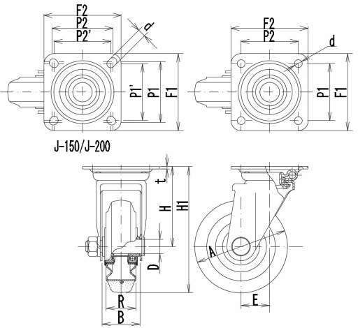
SJ-150
-
SUIJ-150
-
SJ-200
-
SUIJ-200
-
SJ-250
-
SUIJ-250
・J型中荷重用旋回金具付きのキャスターです。
【UKAI(ウカイ)キャスターの特長】
■日本初の金属プレスキャスター
・鋳物製のキャスターが主流だった時代に、日本で初めて金属をプレスにて製造したキャスターメーカーとして誕生したのが「UKAIキャスター」です。
・プレスキャスターの先駆けとして、クリーンルームに使われる静電気防止の特殊なウレタン製、食品工場向けのオールステンレスの製品、クッション製の高い製品、1個で800kgfの荷重に耐えられる製品など時代にあった商品開発にも力を注いでいます。
■丈夫で長持ち
・工場や倉庫だけでなく、駅ホーム・商業施設など、身近な場所でも使用されています。
・中国・ベトナムにも拠点を持ち、耐久性の高さと商品展開の多様さが世界各国で認められ、キャスターといえば「UKAIキャスター」と認知度も高まっています。

