モノづくりの困ったを解決する総合サイト

Produced by

岐阜産研工業

中荷重用キャスター|ストッパー付旋回キャスター JB

SJB-75

  • SJB-75

  • SUIJB-75

  • SJB-100

  • SUIJB-100

  • SJBL-100

  • SJB-130

  • SUIJB-130

  • SJBL-130

  • SJB-150

  • SUIJB-150

  • SJBL-150

  • SJB-200

  • SUIJB-200

  • SJBL-200

  • SJB-250

  • SUIJB-250

・JB型中荷重用ストッパー付旋回金具付きのキャスターです。
・車輪の回転と、金具の旋回を同時に止めるダブルストッパー仕様です。
・左用のストッパーペダル仕様も用意しています。


【UKAI(ウカイ)キャスターの特長】
■日本初の金属プレスキャスター
・鋳物製のキャスターが主流だった時代に、日本で初めて金属をプレスにて製造したキャスターメーカーとして誕生したのが「UKAIキャスター」です。
・プレスキャスターの先駆けとして、クリーンルームに使われる静電気防止の特殊なウレタン製、食品工場向けのオールステンレスの製品、クッション製の高い製品、1個で800kgfの荷重に耐えられる製品など時代にあった商品開発にも力を注いでいます。

■丈夫で長持ち
・工場や倉庫だけでなく、駅ホーム・商業施設など、身近な場所でも使用されています。
・中国・ベトナムにも拠点を持ち、耐久性の高さと商品展開の多様さが世界各国で認められ、キャスターといえば「UKAIキャスター」と認知度も高まっています。

#キャスター

CADメーカーTOP

詳細仕様

  • 180件中 121-130件

  • 表示件数

180件の型式

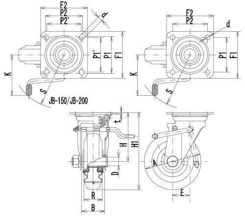
型式 サイズ タイプ 車輪
仕様
軸受 ストッパー
ペダル仕様
最大
荷重
(daN)
タイヤ幅
R
シャフト径
D
取付高さ
R
トップ
プレート
F1/F2
取付穴
ピッチ
P1/P2
取付
穴径
d
偏心
E
自重
(g)
UWBSJBL-200 200 MCナイロン MCナイロン 鋼板製ベアリング入り 左用 420 34 20 250 140/140 115/115(105/105) 11 58 3930
UWBSDJBL-200 200 MCナイロン MCナイロン ステンレス製ベアリング入り 左用 420 34 20 250 140/140 115/115(105/105) 11 58 3930
UWBSDJBL-100 100 MCナイロン MCナイロン ステンレス製ベアリング入り 左用 180 30 12 144 95/95 71/71 11 35 1190
UWAJBL-150 150 MCナイロン MCナイロン 滑り軸受け 左用 300 40 20 198 120/120 95/95(87/87) 11 45 2680
UWAJBL-130 130 MCナイロン MCナイロン 滑り軸受け 左用 250 36 20 177 108/108 80/80 11 40 1910
PNAJBL-150 150 樹脂製ゴム ゴム 滑り軸受け 左用 140 38 20 198 120/120 95/95(87/87) 11 45 2250
PBDJBL-130 130 ナイロン ナイロン ステンレス製ベアリング入り 左用 250 42 20 177 108/108 80/80 11 40 1780
UWBJBL-200 200 MCナイロン MCナイロン 鋼板製ベアリング入り 左用 420 42 20 250 140/140 115/115(105/105) 11 58 4470
PNJBL-200 200 樹脂製ゴム ゴム 鋼板製ベアリング入り 左用 220 42 20 250 140/140 115/115(105/105) 11 58 3590
SUWJBL-200 200 鋼板製ウレタンゴム ウレタン 鋼板製ラジアルベアリング入り 左用 400 42 20 250 140/140 115/115(105/105) 11 58 4120

型式 商品コード 単位 価格
(円)
基準納期
日伝 メーカー
UWBSJBL-200 UWBSJBL-200 P 20,050 - 在庫品
UWBSDJBL-200 UWBSDJBL-200 P 25,870 - 在庫品
UWBSDJBL-100 UWBSDJBL-100 P 9,890 - 在庫品
UWAJBL-150 UWAJBL-150 P 15,050 - 在庫品
UWAJBL-130 UWAJBL-130 P 11,210 - 在庫品
PNAJBL-150 PNAJBL-150 P 5,100 - 在庫品
PBDJBL-130 PBDJBL-130 P 8,210 - 在庫品
UWBJBL-200 UWBJBL-200 P 27,890 - 在庫品
PNJBL-200 PNJBL-200 P 7,040 - 在庫品
SUWJBL-200 SUWJBL-200 P 8,940 - -

関連製品

この製品を見た人はこのような製品も見ています

1952年設立で、動力伝導機器・産業機器・制御機器等の機械設備及び機械器具関連製品の販売をしている専門総合商社です。
日本国内で40以上の拠点を持ち、信頼性の高い製品と技術力で、全国のものづくりに携わる方々のあらゆるお困りごとを解決しています。

Loading...