・六角棒スパナで締めつけるので、頭部を埋め込み式にしても使用できます。合金鋼に熱処理を施し強度を高くして有ります。耐食性向上のためニッケルメッキ(白っぽい色合い)がして有ります。
・機械、車両等の一般的な締めつけに用い、六角ボルトより強度が必要な締結に用います。生地に比べ耐食性があり、美観に優れます。
共通仕様
| シリーズ | 六角穴付ボルト(キャップ) |
|---|---|
| 材質 | SCM435 |
| 表面処理 | ニッケル |
YHT
・六角棒スパナで締めつけるので、頭部を埋め込み式にしても使用できます。合金鋼に熱処理を施し強度を高くして有ります。耐食性向上のためニッケルメッキ(白っぽい色合い)がして有ります。
・機械、車両等の一般的な締めつけに用い、六角ボルトより強度が必要な締結に用います。生地に比べ耐食性があり、美観に優れます。
| シリーズ | 六角穴付ボルト(キャップ) |
|---|---|
| 材質 | SCM435 |
| 表面処理 | ニッケル |
203件の型式
| 型式 |
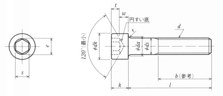
ねじの 呼び d |
l (mm) |
入数 |
b 参考 (mm) |
dk(mm) | ds(mm) |
e 最小 (mm) |
k(mm) | s(mm) |
t 最小 (mm) |
w 最小 (mm) |
|||||||
|---|---|---|---|---|---|---|---|---|---|---|---|---|---|---|---|---|---|---|
| 最大 (基準寸法) | 最大 | 最小 | 最大 (基準寸法) | 最小 | 最大 (基準寸法) | 最小 | 呼び (基準寸法) | 最小 | 最大 | |||||||||
| 1欄 | 2欄 | |||||||||||||||||
| CBMN4-8-10 | M4 | 8 | 10 | 20 | 7 | 7.22 | 6.78 | 4 | 3.82 | 3.44 | 4 | 3.82 | 3 | 3.02 | 3.080 | 3.080 | 2 | 1.4 |
| CBMN4-8-100 | M4 | 8 | 100 | 20 | 7 | 7.22 | 6.78 | 4 | 3.82 | 3.44 | 4 | 3.82 | 3 | 3.02 | 3.080 | 3.080 | 2 | 1.4 |
| CBMN4-10-10 | M4 | 10 | 10 | 20 | 7 | 7.22 | 6.78 | 4 | 3.82 | 3.44 | 4 | 3.82 | 3 | 3.02 | 3.080 | 3.080 | 2 | 1.4 |
| CBMN4-10-100 | M4 | 10 | 100 | 20 | 7 | 7.22 | 6.78 | 4 | 3.82 | 3.44 | 4 | 3.82 | 3 | 3.02 | 3.080 | 3.080 | 2 | 1.4 |
| CBMN4-12-10 | M4 | 12 | 10 | 20 | 7 | 7.22 | 6.78 | 4 | 3.82 | 3.44 | 4 | 3.82 | 3 | 3.02 | 3.080 | 3.080 | 2 | 1.4 |
| CBMN4-12-100 | M4 | 12 | 100 | 20 | 7 | 7.22 | 6.78 | 4 | 3.82 | 3.44 | 4 | 3.82 | 3 | 3.02 | 3.080 | 3.080 | 2 | 1.4 |
| CBMN4-14-10 | M4 | 14 | 10 | 20 | 7 | 7.22 | 6.78 | 4 | 3.82 | 3.44 | 4 | 3.82 | 3 | 3.02 | 3.080 | 3.080 | 2 | 1.4 |
| CBMN4-14-100 | M4 | 14 | 100 | 20 | 7 | 7.22 | 6.78 | 4 | 3.82 | 3.44 | 4 | 3.82 | 3 | 3.02 | 3.080 | 3.080 | 2 | 1.4 |
| CBMN4-15-10 | M4 | 15 | 10 | 20 | 7 | 7.22 | 6.78 | 4 | 3.82 | 3.44 | 4 | 3.82 | 3 | 3.02 | 3.080 | 3.080 | 2 | 1.4 |
| CBMN4-15-100 | M4 | 15 | 100 | 20 | 7 | 7.22 | 6.78 | 4 | 3.82 | 3.44 | 4 | 3.82 | 3 | 3.02 | 3.080 | 3.080 | 2 | 1.4 |
| 型式 | 商品コード | 単位 |
価格 (円) |
基準納期 | |
|---|---|---|---|---|---|
| 日伝 | メーカー | ||||
| CBMN4-8-10 | CBMN4-8-10 | C | 260 | - | 在庫品 |
| CBMN4-8-100 | CBMN4-8-100 | C | 1,570 | - | 在庫品 |
| CBMN4-10-10 | CBMN4-10-10 | C | 260 | - | 在庫品 |
| CBMN4-10-100 | CBMN4-10-100 | C | 1,590 | - | 在庫品 |
| CBMN4-12-10 | CBMN4-12-10 | C | 260 | - | 在庫品 |
| CBMN4-12-100 | CBMN4-12-100 | C | 1,540 | - | 在庫品 |
| CBMN4-14-10 | CBMN4-14-10 | C | 260 | - | 在庫品 |
| CBMN4-14-100 | CBMN4-14-100 | C | 1,670 | - | 在庫品 |
| CBMN4-15-10 | CBMN4-15-10 | C | 260 | - | 在庫品 |
| CBMN4-15-100 | CBMN4-15-100 | C | 1,670 | - | 在庫品 |
製品についてのご質問やお困りごとなどお気軽にご相談ください!