・六角穴付ボルトにばね座金と平座金が組込まれており、脱落しません。組込み式なので作業効率が向上します。ステンレス鋼(SUS XM-7)なので耐食性、耐熱性に優れています。
ボルトも座金も強い
・12.9高強度ボルトに座金組込みができました。特殊な工程でボルト座金も強くしています。
被締付け部材にやさしく
・ギザ付皿バネ組込みのため、従来のばね座金のように被締付け部材にキズをつけることはありません。
締付けの信頼性に
・トルク係数が小さく、安定しています。ギザ付皿ばね座金が、ボルトと共まわりしないので、座面摩擦が軽減されます。
部品点数の省略に
・部品が一体化されています。ボルトに座金が組込まれているので、ひとつの部品として取り扱えます。
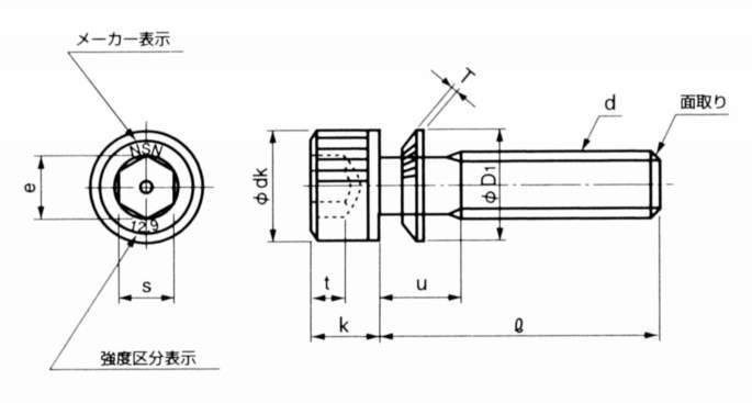
共通仕様
| シリーズ | 六角穴付ボルト(キャップ) |
|---|---|
| 材質 | 合金鋼 |
| 表面処理 | 黒色酸化皮膜 |
| その他 | ギザ座金付 |

