・皿型形状の頭部で六角穴付きですので、小ねじより強く締付けることができます。六角穴は、六角穴付ボルトより一回り小さくなっています。合金鋼に熱処理を施し強度を高くして有ります。メッキはして有りません。
・機械、車両等の一般的な締めつけに用い、小ねじでは締付けが足りず、頭が出ては困る場合に用います。常に油のかかる環境下か耐食性を必要としない場所に使用します。
共通仕様
| シリーズ | その他六角穴付ボルト |
|---|---|
| 材質 | 合金鋼 |
| 表面処理 | 黒色酸化皮膜 |
YHT
・皿型形状の頭部で六角穴付きですので、小ねじより強く締付けることができます。六角穴は、六角穴付ボルトより一回り小さくなっています。合金鋼に熱処理を施し強度を高くして有ります。メッキはして有りません。
・機械、車両等の一般的な締めつけに用い、小ねじでは締付けが足りず、頭が出ては困る場合に用います。常に油のかかる環境下か耐食性を必要としない場所に使用します。
| シリーズ | その他六角穴付ボルト |
|---|---|
| 材質 | 合金鋼 |
| 表面処理 | 黒色酸化皮膜 |
162件の型式
| 型式 |
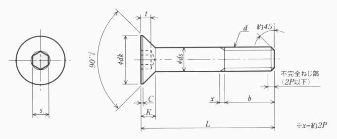
ねじの 呼び d |
l (mm) |
入数 |
ピッチ P (mm) |
ds(mm) | dk(mm) | k(mm) |
C 参考 (mm) |
s(mm) | t(mm) |
b 有効ねじ長さ (mm) |
|||||
|---|---|---|---|---|---|---|---|---|---|---|---|---|---|---|---|---|
| 基準寸法 | 許容差 | 基準寸法 | 許容差 | 基準寸法 | 許容差 | 基準寸法 | 許容差 | 基準寸法 | 許容差 | |||||||
| CDGB16-70 | M16 | 70 | 1 | 2 | 16 | 0−0.27 | 30 | 0−0.52 | 7.5 | 0−0.4 | 0.5 | 10 | +0.130+0.040 | 5.3 | 0−0.30 | 38 |
| CDGB16-70-50 | M16 | 70 | 50 | 2 | 16 | 0−0.27 | 30 | 0−0.52 | 7.5 | 0−0.4 | 0.5 | 10 | +0.130+0.040 | 5.3 | 0−0.30 | 38 |
| 型式 | 商品コード | 単位 |
価格 (円) |
基準納期 | |
|---|---|---|---|---|---|
| 日伝 | メーカー | ||||
| CDGB16-70 | CDGB16-70 | P | 530 | - | 在庫品 |
| CDGB16-70-50 | CDGB16-70-50 | C | 19,800 | - | 在庫品 |
製品についてのご質問やお困りごとなどお気軽にご相談ください!