UC-L3
-
UC-L3
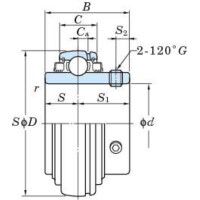
■インサート軸受:UC-L3形
・UC-L3形軸受は三重シールを用いた防塵性能に優れた軸受です。
・鉄板の裏側に3つのリップに成形されたニトリルゴムを焼付けたシールで外輪にかしめられています。
・低速から中速の回転で塵埃に対応する軸受です。
共通仕様
| タイプ | UC-L3:円筒穴(三重シール品) |
|---|
FYH
UC-L3
UC-L3
■インサート軸受:UC-L3形
・UC-L3形軸受は三重シールを用いた防塵性能に優れた軸受です。
・鉄板の裏側に3つのリップに成形されたニトリルゴムを焼付けたシールで外輪にかしめられています。
・低速から中速の回転で塵埃に対応する軸受です。
| タイプ | UC-L3:円筒穴(三重シール品) |
|---|
49件の型式
| 型式 | タイプ |
軸径 d (mm) |
主要寸法(mm) | 寸法(mm) |
止めねじ の呼び G |
基本定格荷重(kN) |
係数 f0 |
参考 質量 (kg) |
|||||||
|---|---|---|---|---|---|---|---|---|---|---|---|---|---|---|---|
| D | B | C | r (最小) | Ca | S | S1 | S2 | Cr | C0r | ||||||
| UCX07L3 | 円筒穴(三重シール品) | 35 | 80 | 49.2 | 21 | 1.1 | 6 | 19 | 30.2 | 8 | M8×1 | 29.1 | 17.8 | 14.0 | 0.75 |
| UC208L3 | 円筒穴(三重シール品) | 40 | 80 | 49.2 | 21 | 1.1 | 6 | 19 | 30.2 | 8 | M8×1 | 29.1 | 17.8 | 14.0 | 0.64 |
| UCX08L3 | 円筒穴(三重シール品) | 40 | 85 | 49.2 | 22 | 1.1 | 6 | 19 | 30.2 | 8 | M8×1 | 34.1 | 21.3 | 14.0 | 0.83 |
| UC308L3 | 円筒穴(三重シール品) | 40 | 90 | 52 | 28 | 1.5 | 8 | 19 | 33 | 10 | M10×1.25 | 40.7 | 24.0 | 13.2 | 1.00 |
| UC209L3 | 円筒穴(三重シール品) | 45 | 85 | 49.2 | 22 | 1.1 | 6 | 19 | 30.2 | 8 | M8×1 | 34.1 | 21.3 | 14.0 | 0.68 |
| UCX09L3 | 円筒穴(三重シール品) | 45 | 90 | 51.6 | 24 | 1.1 | 6 | 19 | 32.6 | 9 | M10×1.25 | 35.1 | 23.3 | 14.4 | 0.95 |
| UC309L3 | 円筒穴(三重シール品) | 45 | 100 | 57 | 30 | 1.5 | 8.5 | 22 | 35 | 10 | M10×1.25 | 48.9 | 29.5 | 13.3 | 1.33 |
| UC210L3 | 円筒穴(三重シール品) | 50 | 90 | 51.6 | 24 | 1.1 | 6 | 19 | 32.6 | 9 | M10×1.25 | 35.1 | 23.3 | 14.4 | 0.80 |
| UCX10L3 | 円筒穴(三重シール品) | 50 | 100 | 55.6 | 25 | 1.1 | 7 | 22.2 | 33.4 | 9 | M10×1.25 | 43.4 | 29.4 | 14.4 | 1.29 |
| UC310L3 | 円筒穴(三重シール品) | 50 | 110 | 61 | 32 | 2 | 9 | 22 | 39 | 12 | M12×1.5 | 62.0 | 38.3 | 13.2 | 1.69 |
| 型式 | 商品コード | 単位 |
価格 (円) |
基準納期 | |
|---|---|---|---|---|---|
| 日伝 | メーカー | ||||
| UCX07L3 | UCX07L3 | P | 6,600 | - | 在庫品 |
| UC208L3 | UC208L3 | P | 5,080 | 在庫品 | 在庫品 |
| UCX08L3 | UCX08L3 | P | 7,320 | - | 在庫品 |
| UC308L3 | UC308L3 | P | 7,970 | - | 在庫品 |
| UC209L3 | UC209L3 | P | 5,670 | 在庫品 | 在庫品 |
| UCX09L3 | UCX09L3 | P | 8,300 | - | 在庫品 |
| UC309L3 | UC309L3 | P | 9,950 | - | 在庫品 |
| UC210L3 | UC210L3 | P | 6,300 | 在庫品 | 在庫品 |
| UCX10L3 | UCX10L3 | P | 9,560 | - | 在庫品 |
| UC310L3 | UC310L3 | P | 12,500 | - | 在庫品 |
製品についてのご質問やお困りごとなどお気軽にご相談ください!