UC-L3
-
UC-L3
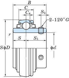
■インサート軸受:UC-L3形
・UC-L3形軸受は三重シールを用いた防塵性能に優れた軸受です。
・鉄板の裏側に3つのリップに成形されたニトリルゴムを焼付けたシールで外輪にかしめられています。
・低速から中速の回転で塵埃に対応する軸受です。
共通仕様
| タイプ | UC-L3:円筒穴(三重シール品) |
|---|
FYH
UC-L3
UC-L3
■インサート軸受:UC-L3形
・UC-L3形軸受は三重シールを用いた防塵性能に優れた軸受です。
・鉄板の裏側に3つのリップに成形されたニトリルゴムを焼付けたシールで外輪にかしめられています。
・低速から中速の回転で塵埃に対応する軸受です。
| タイプ | UC-L3:円筒穴(三重シール品) |
|---|
49件の型式
| 型式 | タイプ |
軸径 d (mm) |
主要寸法(mm) | 寸法(mm) |
止めねじ の呼び G |
基本定格荷重(kN) |
係数 f0 |
参考 質量 (kg) |
|||||||
|---|---|---|---|---|---|---|---|---|---|---|---|---|---|---|---|
| D | B | C | r (最小) | Ca | S | S1 | S2 | Cr | C0r | ||||||
| UCX14L3 | 円筒穴(三重シール品) | 70 | 130 | 77.8 | 32 | 1.5 | 9 | 33.3 | 44.5 | 12 | M12×1.5 | 67.4 | 48.3 | 14.5 | 2.74 |
| UC314L3 | 円筒穴(三重シール品) | 70 | 150 | 78 | 40 | 2.1 | 12.5 | 33 | 45 | 12 | M12×1.5 | 104 | 68.2 | 13.2 | 3.90 |
| UC215L3 | 円筒穴(三重シール品) | 75 | 130 | 77.8 | 32 | 1.5 | 9 | 33.3 | 44.5 | 12 | M12×1.5 | 67.4 | 48.3 | 14.5 | 2.21 |
| UCX15L3 | 円筒穴(三重シール品) | 75 | 140 | 82.6 | 33 | 1.5 | 9 | 33.3 | 49.3 | 14 | M12×1.5 | 72.7 | 53.0 | 14.6 | 3.41 |
| UC315L3 | 円筒穴(三重シール品) | 75 | 160 | 82 | 42 | 2.1 | 14.5 | 32 | 50 | 14 | M14×1.5 | 113 | 77.2 | 13.2 | 4.70 |
| UC216L3 | 円筒穴(三重シール品) | 80 | 140 | 82.6 | 33 | 2 | 9 | 33.3 | 49.3 | 14 | M12×1.5 | 72.7 | 53.0 | 14.6 | 2.79 |
| UCX16L3 | 円筒穴(三重シール品) | 80 | 150 | 85.7 | 35 | 2 | 10 | 34.1 | 51.6 | 14 | M12×1.5 | 84.0 | 61.9 | 14.5 | 3.87 |
| UC316L3 | 円筒穴(三重シール品) | 80 | 170 | 86 | 44 | 2.1 | 15 | 34 | 52 | 14 | M14×1.5 | 123 | 86.7 | 13.3 | 5.60 |
| UC217L3 | 円筒穴(三重シール品) | 85 | 150 | 85.7 | 35 | 2 | 10 | 34.1 | 51.6 | 14 | M12×1.5 | 84.0 | 61.9 | 14.5 | 3.45 |
| UCX17L3 | 円筒穴(三重シール品) | 85 | 160 | 96 | 38 | 2 | 11 | 39.7 | 56.3 | 15 | M12×1.5 | 96.1 | 71.5 | 14.5 | 5.05 |
| 型式 | 商品コード | 単位 |
価格 (円) |
基準納期 | |
|---|---|---|---|---|---|
| 日伝 | メーカー | ||||
| UCX14L3 | UCX14L3 | P | 20,500 | - | 在庫品 |
| UC314L3 | UC314L3 | P | 29,200 | - | 在庫品 |
| UC215L3 | UC215L3 | P | 18,900 | - | 在庫品 |
| UCX15L3 | UCX15L3 | P | 26,300 | - | 在庫品 |
| UC315L3 | UC315L3 | P | 34,300 | - | 在庫品 |
| UC216L3 | UC216L3 | P | 24,000 | - | 在庫品 |
| UCX16L3 | UCX16L3 | P | 32,600 | - | 在庫品 |
| UC316L3 | UC316L3 | P | 40,800 | - | 在庫品 |
| UC217L3 | UC217L3 | P | 29,200 | - | 在庫品 |
| UCX17L3 | UCX17L3 | P | 40,400 | - | 在庫品 |
製品についてのご質問やお困りごとなどお気軽にご相談ください!