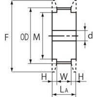
A形
-
A形
-
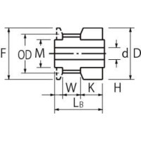
B形
-
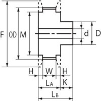
C形
・標準プーリはバックラッシュレスで、位置決め精度が向上します。
・従来のISO JISの歯形に比べ、高トルク伝達が可能です。
共通仕様
| プーリピッチ | 3.0mm |
|---|---|
| PLD | 0.381mm |
| 材質 | 高力アルミニウム合金 |
三ツ星ベルト
A形
A形
B形
C形
・標準プーリはバックラッシュレスで、位置決め精度が向上します。
・従来のISO JISの歯形に比べ、高トルク伝達が可能です。
| プーリピッチ | 3.0mm |
|---|---|
| PLD | 0.381mm |
| 材質 | 高力アルミニウム合金 |
60件の型式
| 型式 | 歯形 |
プーリ 形状 |
材質 | 歯数 |
プーリ幅 (mm) |
ピッチ径 P.D. (mm) |
外径 O.D. (mm) |
LA (mm) |
LB (mm) |
W (mm) |
H (mm) |
K (mm) |
D (mm) |
軸穴径d(mm) |
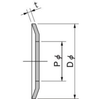
概略 質量 (kg) |
適用フランジ | ||||
|---|---|---|---|---|---|---|---|---|---|---|---|---|---|---|---|---|---|---|---|---|
| min | max | 型式 | 厚みt(mm) | 外径D(mm) | 内径P(mm) | |||||||||||||||
| P14S3M0150C-AL | S3M | C形 | 高力アルミニウム合金 | 14 | 15 | 13.37 | 12.61 | - | 29 | 17 | 2 | 10 | 16 | 4 | 8 | 0.01 | F-101610 | 1 | 16 | 10 |
| P15S3M0150C-AL | S3M | C形 | 高力アルミニウム合金 | 15 | 15 | 14.32 | 13.56 | - | 29 | 17 | 2 | 10 | 18 | 4 | 8 | 0.012 | F-101811 | 1 | 18 | 11 |
| P16S3M0150C-AL | S3M | C形 | 高力アルミニウム合金 | 16 | 15 | 15.28 | 14.52 | - | 29 | 17 | 2 | 10 | 20 | 4 | 8 | 0.015 | F-102012 | 1 | 20 | 12 |
| P18S3M0150C-AL | S3M | C形 | 高力アルミニウム合金 | 18 | 15 | 17.19 | 16.43 | - | 29 | 17 | 2 | 10 | 23 | 4 | 8 | 0.02 | F-102312 | 1 | 23 | 12 |
| P20S3M0150C-AL | S3M | C形 | 高力アルミニウム合金 | 20 | 15 | 19.10 | 18.34 | - | 29 | 17 | 2 | 10 | 23 | 4 | 9 | 0.022 | F-102313 | 1 | 23 | 12 |
| P22S3M0150C-AL | S3M | C形 | 高力アルミニウム合金 | 22 | 15 | 21.01 | 20.25 | - | 29 | 17 | 2 | 10 | 25 | 4 | 9 | 0.027 | F-102514 | 1 | 25 | 14 |
| P24S3M0150A-AL | S3M | A形 | 高力アルミニウム合金 | 24 | 15 | 22.92 | 22.16 | 21 | - | 17 | 2 | - | - | 4 | 9 | 0.019 | F-102616 | 1 | 26 | 16 |
| P25S3M0150A-AL | S3M | A形 | 高力アルミニウム合金 | 25 | 15 | 23.87 | 23.11 | 21 | - | 17 | 2 | - | - | 6 | 11 | 0.021 | F-102818 | 1 | 28 | 18 |
| P26S3M0150A-AL | S3M | A形 | 高力アルミニウム合金 | 26 | 15 | 24.83 | 24.07 | 21 | - | 17 | 2 | - | - | 6 | 11 | 0.022 | F-102818 | 1 | 28 | 18 |
| P28S3M0150A-AL | S3M | A形 | 高力アルミニウム合金 | 28 | 15 | 26.74 | 25.98 | 21 | - | 17 | 2 | - | - | 6 | 13 | 0.027 | F-103120 | 1 | 31 | 20 |
| 型式 | 商品コード | 単位 |
価格 (円) |
基準納期 | |
|---|---|---|---|---|---|
| 日伝 | メーカー | ||||
| P14S3M0150C-AL | 14S3M150C-AL | P | 2,680 | - | - |
| P15S3M0150C-AL | 15S3M150C-AL | P | 2,780 | - | - |
| P16S3M0150C-AL | 16S3M150C-AL | P | 2,890 | - | - |
| P18S3M0150C-AL | 18S3M150C-AL | P | 2,990 | - | - |
| P20S3M0150C-AL | 20S3M150C-AL | P | 3,110 | - | - |
| P22S3M0150C-AL | 22S3M150C-AL | P | 3,310 | - | - |
| P24S3M0150A-AL | 24S3M150A-AL | P | 2,890 | - | - |
| P25S3M0150A-AL | 25S3M150A-AL | P | 2,990 | - | - |
| P26S3M0150A-AL | 26S3M150A-AL | P | 3,110 | - | - |
| P28S3M0150A-AL | 28S3M150A-AL | P | 3,210 | - | - |
製品についてのご質問やお困りごとなどお気軽にご相談ください!