XUT
-
XUT
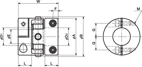
・クロスジョイントタイプのフレキシブルカップリングです。
・ハブに内蔵されたブッシュとスペーサのピンがスリップすることにより、偏心・偏角を許容します。
・ピンとブッシュの高精度のはめ合いにより、バックラッシュは極小です。
・ミスアライメントにより発生する軸荷重が小さく、軸への負担を軽減します。
・高剛性
・振動吸収
共通仕様
| 材質(ハブ) | A2017 |
|---|---|
| 材質(スペーサ) | SUS304 |
| 材質(ピン) | SUJ2 |
| 材質(ブシュ) | ポリイミド |
| 材質(六角穴付きボルト) | SCM435、四三酸化鉄皮膜(黒) |

