LHCM
-
LHCM
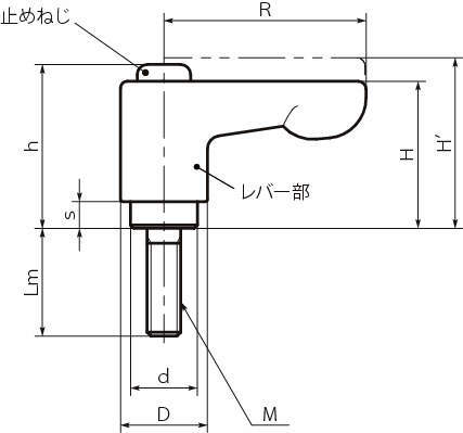
・コンパクトタイプのフラットクランプレバー。上部スペースに制限がある用途に適しています。
・回し半径22mm・30mm。省スペースです。
・レバー部は、傷が目立ちにくい、つや消しタイプの静電塗装。
・レバー部のカラーバリエーションは4種類。
共通仕様
| レバー部 | 亜鉛ダイカスト 静電塗装(各色) |
|---|---|
| ねじ部 | スティール 四三酸化鉄皮膜(黒) |
| 止めねじ | スティール 四三酸化鉄皮膜(黒) |
| スプリング | ステンレス鋼線 |

