■スウェイジ継手は、ホースに加締めて使用する継手です。
■加締機による丸締め方式
・ホースとの加締め(アセンブリ)は専用の手動式アセンブリツール[マーク10]、油圧式アセンブリマシン[マーク9]を使用することにより誰でも簡単に行なえます。
ニッタ
ラインメイト樹脂ホース用継手|スウェイジタイプ
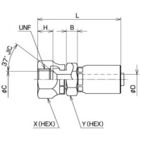
詳細仕様
164件の型式
| 型式 | 形状 | 材質 |
呼称 サイズ |
ねじ径 |
A (mm) |
B (mm) |
B1 (mm) |
B2 (mm) |
C (mm) |
最小内径 D (mm) |
H (mm) |
L (mm) |
L1 (mm) |
L2 (mm) |
X (mm) |
Y (mm) |
概略 質量 (g) |
適用ホース | |||||||||||
|---|---|---|---|---|---|---|---|---|---|---|---|---|---|---|---|---|---|---|---|---|---|---|---|---|---|---|---|---|---|
| LF70 | 1000 | 1100 | 1400 | 1500 | N3130 | 3130 | N3000 | 3000 | 3700 | 3R80 | 34PW | ||||||||||||||||||
| SSA-PT-02 | SA | スチール | 02 | R1/8 | 10 | 6.5 | - | - | - | 1.8 | - | 38 | - | - | - | 14 | 15 | - | - | - | - | - | - | ○ | - | - | - | - | - |
| SA-PT-03 | SA | スチール | 03 | R1/4 | 13 | 8.5 | - | - | - | 2.8 | - | 57 | - | - | - | 19 | 50 | - | - | - | - | - | ○ | ○ | - | ○ | ○ | - | - |
| SA-PT-04 | SA | スチール | 04 | R1/4 | 13 | 8.5 | - | - | - | 3.9 | - | 61 | - | - | - | 19 | 60 | - | - | - | - | - | ○ | ○ | ○ | ○ | ○ | - | - |
| SA-PT-05 | SA | スチール | 05 | R3/8 | 15 | 9.0 | - | - | - | 5.6 | - | 62 | - | - | - | 22 | 80 | - | - | - | - | - | ○ | ○ | - | - | - | - | - |
| SA-PT-06 | SA | スチール | 06 | R3/8 | 15 | 9.0 | - | - | - | 6.8 | - | 67 | - | - | - | 22 | 90 | - | - | - | - | - | ○ | ○ | - | ○ | ○ | - | - |
| SA-PT-08 | SA | スチール | 08 | R1/2 | 18 | 10.0 | - | - | - | 10.0 | - | 76 | - | - | - | 27 | 140 | - | - | - | - | - | ○ | ○ | - | ○ | ○ | - | - |
| SA-PT-12 | SA | スチール | 12 | R3/4 | 20 | 10.0 | - | - | - | 16.0 | - | 82 | - | - | - | 36 | 220 | - | - | - | - | - | ○ | ○ | - | ○ | - | - | - |
| SA-PT-16 | SA | スチール | 16 | R1 | 23 | 10.0 | - | - | - | 20.9 | - | 100 | - | - | - | 41 | 340 | - | - | - | - | - | ○ | - | - | ○ | - | - | - |
| SA-PT-03-14 | SA | スチール | 03 | R1/4 | 13 | 8.5 | - | - | - | 3.0 | - | 44 | - | - | - | 19 | 40 | - | - | - | - | ○ | - | - | - | - | - | - | - |
| SA-PT-04-14 | SA | スチール | 04 | R1/4 | 13 | 8.5 | - | - | - | 3.5 | - | 50 | - | - | - | 19 | 43 | ○ | ○ | ○ | ○ | - | - | - | - | - | - | - | - |
| 型式 | 商品コード | 単位 |
価格 (円) |
基準納期 | |
|---|---|---|---|---|---|
| 日伝 | メーカー | ||||
| SSA-PT-02 | SSA-PT-02 | P | 1,131 | 在庫品 | 在庫品 |
| SA-PT-03 | SA-PT-03 | P | 1,201 | 在庫品 | 在庫品 |
| SA-PT-04 | SA-PT-04 | P | 1,201 | 在庫品 | 在庫品 |
| SA-PT-05 | SA-PT-05 | P | 1,360 | - | 在庫品 |
| SA-PT-06 | SA-PT-06 | P | 1,360 | 在庫品 | 在庫品 |
| SA-PT-08 | SA-PT-08 | P | 1,750 | 在庫品 | 在庫品 |
| SA-PT-12 | SA-PT-12 | P | 2,235 | 在庫品 | 在庫品 |
| SA-PT-16 | SA-PT-16 | P | 2,750 | 在庫品 | 在庫品 |
| SA-PT-03-14 | SA-PT-03-14 | P | 936 | - | お問合 |
| SA-PT-04-14 | SA-PT-04-14 | P | 936 | 在庫品 | 在庫品 |
この製品を見た人はこのような製品も見ています
製品についてのご質問やお困りごとなどお気軽にご相談ください!
Loading...

