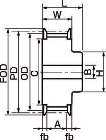
形状:33F
-
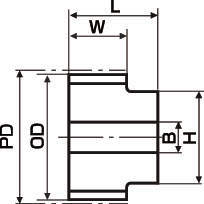
形状:33F
共通仕様
| 形状 | 33F・6・6F・6W・0W |
|---|---|
| 材質 | 鉄 |
ゲイツ・ユニッタ・アジア
65件の型式
| 型式 | 歯形 | 材質 | 形状 | 歯数 |
ベルト 呼び幅 |
ベルト幅 (mm) |
ピッチ円直径 PD (mm) |
歯先円直径 OD (mm) |
W (mm) |
L (mm) |
A (mm) |
fb (mm) |
X (mm) |
段付け径 C (mm) |
ボス径 H (mm) |
M (mm) |
下穴径 B (mm) |
フランジ | |||
|---|---|---|---|---|---|---|---|---|---|---|---|---|---|---|---|---|---|---|---|---|---|
| 型式 | 外径FOD(mm) | 内径FID(mm) | 厚さt(mm) | ||||||||||||||||||
| 16H150-6F | H | S45C | 6F | 16 | 150 | 46 | 64.68 | 63.31 | 46.0 | 65.0 | 39.7 | 3.15 | - | 56.0 | 46.0 | - | 16.0 | FS20070056 | 70.0 | 56.0 | 2.0 |
| 18H150-6F | H | S45C | 6F | 18 | 150 | 46 | 72.77 | 71.39 | 46.0 | 65.0 | 39.7 | 3.15 | - | 61.0 | 54.0 | - | 16.0 | FS20078061 | 78.0 | 61.0 | 2.0 |
| 19H150-6F | H | S45C | 6F | 19 | 150 | 46 | 76.81 | 75.44 | 46.0 | 67.0 | 39.7 | 3.15 | - | 66.0 | 54.0 | - | 16.0 | FS20083066 | 83.0 | 66.0 | 2.0 |
| 20H150-6F | H | S45C | 6F | 20 | 150 | 46 | 80.85 | 79.48 | 46.0 | 68.0 | 39.7 | 3.15 | - | 71.0 | 56.0 | - | 16.0 | FS20088071 | 88.0 | 71.0 | 2.0 |
| 21H150-6F | H | S45C | 6F | 21 | 150 | 46 | 84.89 | 83.52 | 46.0 | 70.0 | 39.7 | 3.15 | - | 75.0 | 56.0 | - | 16.0 | FS20095075 | 95.0 | 75.0 | 2.0 |
| 22H150-6F | H | S45C | 6F | 22 | 150 | 46 | 88.94 | 87.56 | 46.0 | 71.0 | 39.7 | 3.15 | - | 75.0 | 56.0 | - | 16.0 | FS20095075 | 95.0 | 75.0 | 2.0 |
| 24H150-6F | H | S45C | 6F | 24 | 150 | 46 | 97.02 | 95.65 | 46.0 | 71.0 | 39.7 | 3.15 | - | 85.0 | 58.0 | - | 20.0 | FS20103085 | 103.0 | 85.0 | 2.0 |
| 25H150-6F | H | S45C | 6F | 25 | 150 | 46 | 101.06 | 99.69 | 46.0 | 71.0 | 39.7 | 3.15 | - | 90.0 | 58.0 | - | 20.0 | FS20111090 | 111.0 | 90.0 | 2.0 |
| 14H200-6F | H | S45C | 6F | 14 | 200 | 59.5 | 56.60 | 55.22 | 59.5 | 75.0 | 53.2 | 3.15 | - | 46.0 | 38.0 | - | 16.0 | FS20061046 | 61.0 | 46.0 | 2.0 |
| 38H100-6W | H | FC250 | 6W | 38 | 100 | 33.3 | 153.62 | 152.24 | 33.3 | 62.0 | - | - | 9.0 | - | 66.0 | 123.0 | 20.0 | FS25160140 | 160.0 | 140.0 | 2.5 |
| 型式 | 商品コード | 単位 |
価格 (円) |
基準納期 | |
|---|---|---|---|---|---|
| 日伝 | メーカー | ||||
| 16H150-6F | 16H150-6F | P | 6,240 | - | 在庫品 |
| 18H150-6F | 18H150-6F | P | 7,130 | - | 在庫品 |
| 19H150-6F | 19H150-6F | P | 7,340 | - | 在庫品 |
| 20H150-6F | 20H150-6F | P | 7,660 | - | 在庫品 |
| 21H150-6F | 21H150-6F | P | 8,210 | - | 在庫品 |
| 22H150-6F | 22H150-6F | P | 8,930 | - | 在庫品 |
| 24H150-6F | 24H150-6F | P | 10,130 | - | 在庫品 |
| 25H150-6F | 25H150-6F | P | 10,670 | - | 在庫品 |
| 14H200-6F | 14H200-6F | P | 6,800 | - | 在庫品 |
| 38H100-6W | 38H100-6W | P | 10,310 | - | 在庫品 |
製品についてのご質問やお困りごとなどお気軽にご相談ください!