モノづくりの困ったを解決する総合サイト

Produced by

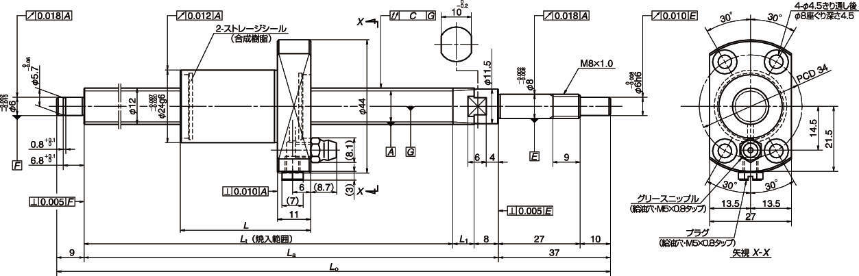
標準ボールねじ(軸端完成品)|コンパクトFAシリーズ(一般用) PSS

コンパクトFA

  • コンパクトFA

  • コンパクトFA

・エンドデフレクタ方式の高速・静音・コンパクト化を多彩なニーズに即応するために「コンパクトFAシリーズ」として標準在庫化しました。

■静音
・聴覚で約半減に相当する6dB(A)低減を実現しました。

■コンパクト
・ナット外径を最大で30%の小型化(当社比)を実現しています。
・XYテーブルの薄型化をはじめ、さまざまな機器や装置のコンパクト設計が可能です。

■高速
・許容回転数最大5000min-1まで対応し、使用条件の幅が格段に広がります。

■グリースニップル標準装備
・グリースニップル(M5×0.8)を標準装備し、給油口を2箇所設定することにより、使いやすさを追求しました。集中配管との接続も容易に行えます。

■ストレージレール
・ストレージシールを採用しており、ナット外観寸法がチューブ式と比較しさらにコンパクトな設計となっています。

■低形設計
・コンパクトFA型に合わせた専用の低型サポートユニットを設定、他に類を見ない低型設計が可能です。

■容易なストローク設定
・支持側サポートユニットを反固定側のボールねじ部外径にはめ込むことにより、固定‐支持構造のフレキシブルなストローク設置が可能になります。
・支持側専用サポートユニットをご用意しています。

#ボールねじ

詳細仕様

  • 173件中 131-140件

  • 表示件数

173件の型式

型式 ねじ外径
d
リード
l
ストローク ナット
全長
L
ねじ軸寸法 リード精度 基本定格荷重(N) 許容回転数(min-1) 左側軸端形式
(反駆動側)
呼び 最大 Lt-L Lt La L0 L1 目標値 T 誤差 ep 変動 vu 動定格 Ca 静定格 C0a 固定-支持 固定-固定
PSS2505N1D0899 25 5 700 741 32 773 800 899 27 0 0.035 0.025 9760 23600 5000 - 形式II
PSS2505N1D0999 25 5 800 841 32 873 900 999 27 0 0.040 0.027 9760 23600 4100 - 形式II
PSS2505N1D1233 25 5 1000 1041 32 1073 1100 1233 27 0 0.046 0.030 9760 23600 2700 4000 形式I
PSS2510N1D0549 25 10 300 367 56 423 450 549 27 0 0.027 0.020 12800 32300 5000 - 形式II
PSS2510N1D0649 25 10 400 467 56 523 550 649 27 0 0.030 0.023 12800 32300 5000 - 形式II
PSS2510N1D0749 25 10 500 567 56 623 650 749 27 0 0.030 0.023 12800 32300 5000 - 形式II
PSS2510N1D0849 25 10 600 667 56 723 750 849 27 0 0.035 0.025 12800 32300 5000 - 形式II
PSS2510N1D0949 25 10 700 767 56 823 850 949 27 0 0.040 0.027 12800 32300 5000 - 形式II
PSS2510N1D1049 25 10 800 867 56 923 950 1049 27 0 0.040 0.027 12800 32300 3600 - 形式II
PSS2510N1D1283 25 10 1000 1067 56 1123 1150 1283 27 0 0.046 0.030 12800 32300 2500 3700 形式I

型式 商品コード 単位 価格
(円)
基準納期
日伝 メーカー
PSS2505N1D0899 PSS2505N1D0899 P 141,000 - 在庫品
PSS2505N1D0999 PSS2505N1D0999 P 151,000 - 在庫品
PSS2505N1D1233 PSS2505N1D1233 P 173,000 - 在庫品
PSS2510N1D0549 PSS2510N1D0549 P 107,000 - 在庫品
PSS2510N1D0649 PSS2510N1D0649 P 116,000 - 在庫品
PSS2510N1D0749 PSS2510N1D0749 P 127,000 - 在庫品
PSS2510N1D0849 PSS2510N1D0849 P 136,000 - 在庫品
PSS2510N1D0949 PSS2510N1D0949 P 147,000 - 在庫品
PSS2510N1D1049 PSS2510N1D1049 P 157,000 - 在庫品
PSS2510N1D1283 PSS2510N1D1283 P 177,000 - 在庫品

関連製品

この製品を見た人はこのような製品も見ています

1952年設立で、動力伝導機器・産業機器・制御機器等の機械設備及び機械器具関連製品の販売をしている専門総合商社です。
日本国内で40以上の拠点を持ち、信頼性の高い製品と技術力で、全国のものづくりに携わる方々のあらゆるお困りごとを解決しています。

Loading...