コンパクトFA
-
コンパクトFA
-
コンパクトFA
・エンドデフレクタ方式の高速・静音・コンパクト化を多彩なニーズに即応するために「コンパクトFAシリーズ」として標準在庫化しました。
■静音
・聴覚で約半減に相当する6dB(A)低減を実現しました。
■コンパクト
・ナット外径を最大で30%の小型化(当社比)を実現しています。
・XYテーブルの薄型化をはじめ、さまざまな機器や装置のコンパクト設計が可能です。
■高速
・許容回転数最大5000min-1まで対応し、使用条件の幅が格段に広がります。
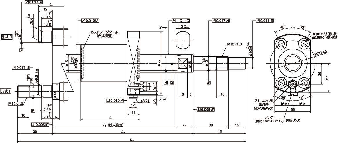
■グリースニップル標準装備
・グリースニップル(M5×0.8)を標準装備し、給油口を2箇所設定することにより、使いやすさを追求しました。集中配管との接続も容易に行えます。
■ストレージレール
・ストレージシールを採用しており、ナット外観寸法がチューブ式と比較しさらにコンパクトな設計となっています。
■低形設計
・コンパクトFA型に合わせた専用の低型サポートユニットを設定、他に類を見ない低型設計が可能です。
■容易なストローク設定
・支持側サポートユニットを反固定側のボールねじ部外径にはめ込むことにより、固定‐支持構造のフレキシブルなストローク設置が可能になります。
・支持側専用サポートユニットをご用意しています。

