S1-100S
-
S1-100S
-
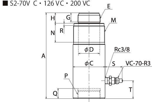
S2-70S
理研機器
144件の型式
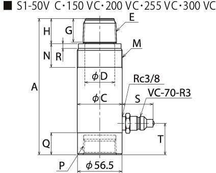
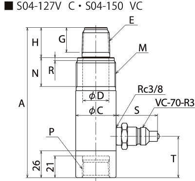
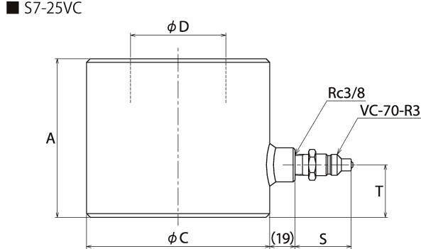
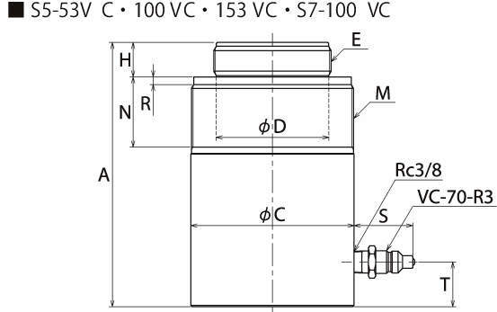
| 型式 |
付属 カップラ |
最大出力 (kN) |
受圧面積 (cm2) |
ストローク (mm) |
最小全長 A |
シリンダ内径 φ |
シリンダ外径 φC |
ピストン径 φD |
ピストンねじ径 E |
ピストンねじ長 G |
ピストン突出長 H |
カラーねじ径 M |
カラーねじ長 N |
ベースねじ径 P |
ベースねじ深さ Q |
ねじにがし長さ R |
カップラ突出長 S |
カップラ位置 T |
必要油量 (cm3) |
概略質量 (kg) |
|---|---|---|---|---|---|---|---|---|---|---|---|---|---|---|---|---|---|---|---|---|
| S04-15VC | VC-70-R3 | 40 | 6.42 | 15 | 46 | 28.6 | 40 | 25 | - | - | - | - | - | - | - | - | 約46 | 18 | 10 | 0.7 |
| S04-15S | S-1R | 40 | 6.42 | 15 | 46 | 28.6 | 40 | 25 | - | - | - | - | - | - | - | - | 約53 | 18 | 10 | 0.7 |
| S04-15T | ROC-13R | 40 | 6.42 | 15 | 46 | 28.6 | 40 | 25 | - | - | - | - | - | - | - | - | 約49 | 18 | 10 | 0.7 |
| S04-15-NC | カップラ無し | 40 | 6.42 | 15 | 46 | 28.6 | 40 | 25 | - | - | - | - | - | - | - | - | - | 18 | 10 | 0.7 |
| S04-40VC | VC-70-R3 | 40 | 6.42 | 40 | 126 | 28.6 | 40 | 17 | - | - | 11 | 1 1/2-16NS | 27 | - | - | 2 | 約46 | 20 | 26 | 1.2 |
| S04-40S | S-1R | 40 | 6.42 | 40 | 126 | 28.6 | 40 | 17 | - | - | 11 | 1 1/2-16NS | 27 | - | - | 2 | 約53 | 20 | 26 | 1.2 |
| S04-40T | ROC-13R | 40 | 6.42 | 40 | 126 | 28.6 | 40 | 17 | - | - | 11 | 1 1/2-16NS | 27 | - | - | 2 | 約49 | 20 | 26 | 1.2 |
| S04-40-NC | カップラ無し | 40 | 6.42 | 40 | 126 | 28.6 | 40 | 17 | - | - | 11 | 1 1/2-16NS | 27 | - | - | 2 | - | 20 | 26 | 1.2 |
| S04-50VC | VC-70-R3 | 40 | 6.42 | 50 | 148 | 28.6 | 39 | 25 | 3/4-14NPT | 24 | 29 | 1 1/2-16NS | 28 | - | - | 3 | 約46 | 20 | 33 | 1.1 |
| S04-50S | S-1R | 40 | 6.42 | 50 | 148 | 28.6 | 39 | 25 | 3/4-14NPT | 24 | 29 | 1 1/2-16NS | 28 | - | - | 3 | 約53 | 20 | 33 | 1.1 |
| 型式 | 商品コード | 単位 |
価格 (円) |
基準納期 | |
|---|---|---|---|---|---|
| 日伝 | メーカー | ||||
| S04-15VC | S04-15VC | P | 35,600 | - | - |
| S04-15S | S04-15S | P | 35,600 | - | 在庫品 |
| S04-15T | S04-15T | P | 37,160 | - | 3日間 |
| S04-15-NC | S04-15-NC | P | 35,600 | - | 3日間 |
| S04-40VC | S04-40VC | P | 42,900 | - | - |
| S04-40S | S04-40S | P | 42,900 | - | 在庫品 |
| S04-40T | S04-40T | P | 44,460 | - | 3日間 |
| S04-40-NC | S04-40-NC | P | 42,900 | - | 3日間 |
| S04-50VC | S04-50VC | P | 42,300 | - | - |
| S04-50S | S04-50S | P | 42,300 | - | 在庫品 |
製品についてのご質問やお困りごとなどお気軽にご相談ください!