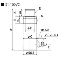
S1-100S
-
S1-100S
-
S2-70S
理研機器
144件の型式
| 型式 |
付属 カップラ |
最大出力 (kN) |
受圧面積 (cm2) |
ストローク (mm) |
最小全長 A |
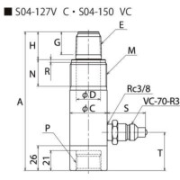
シリンダ内径 φ |
シリンダ外径 φC |
ピストン径 φD |
ピストンねじ径 E |
ピストンねじ長 G |
ピストン突出長 H |
カラーねじ径 M |
カラーねじ長 N |
ベースねじ径 P |
ベースねじ深さ Q |
ねじにがし長さ R |
カップラ突出長 S |
カップラ位置 T |
必要油量 (cm3) |
概略質量 (kg) |
|---|---|---|---|---|---|---|---|---|---|---|---|---|---|---|---|---|---|---|---|---|
| S04-50T | ROC-13R | 40 | 6.42 | 50 | 148 | 28.6 | 39 | 25 | 3/4-14NPT | 24 | 29 | 1 1/2-16NS | 28 | - | - | 3 | 約49 | 20 | 33 | 1.1 |
| S04-50-NC | カップラ無し | 40 | 6.42 | 50 | 148 | 28.6 | 39 | 25 | 3/4-14NPT | 24 | 29 | 1 1/2-16NS | 28 | - | - | 3 | - | 20 | 33 | 1.1 |
| S04-70VC | VC-70-R3 | 40 | 6.42 | 70 | 190 | 28.6 | 39 | 25 | 3/4-14NPT | 24 | 29 | 1 1/2-16NS | 28 | - | - | 3 | 約40 | 35 | 45 | 1.4 |
| S04-70S | S-1R | 40 | 6.42 | 70 | 190 | 28.6 | 39 | 25 | 3/4-14NPT | 24 | 29 | 1 1/2-16NS | 28 | - | - | 3 | 約47 | 35 | 45 | 1.4 |
| S04-70T | ROC-13R | 40 | 6.42 | 70 | 190 | 28.6 | 39 | 25 | 3/4-14NPT | 24 | 29 | 1 1/2-16NS | 28 | - | - | 3 | 約43 | 35 | 45 | 1.4 |
| S04-70-NC | カップラ無し | 40 | 6.42 | 70 | 190 | 28.6 | 39 | 25 | 3/4-14NPT | 24 | 29 | 1 1/2-16NS | 28 | - | - | 3 | - | 35 | 45 | 1.4 |
| S04-127VC | VC-70-R3 | 40 | 6.42 | 127 | 252 | 28.6 | 39 | 25 | 3/4-14NPT | 24 | 29 | 1 1/2-16NS | 28 | 3/4-14NPT | - | 3 | 約40 | 40 | 82 | 1.9 |
| S04-127S | S-1R | 40 | 6.42 | 127 | 252 | 28.6 | 39 | 25 | 3/4-14NPT | 24 | 29 | 1 1/2-16NS | 28 | 3/4-14NPT | - | 3 | 約47 | 40 | 82 | 1.9 |
| S04-127T | ROC-13R | 40 | 6.42 | 127 | 252 | 28.6 | 39 | 25 | 3/4-14NPT | 24 | 29 | 1 1/2-16NS | 28 | 3/4-14NPT | - | 3 | 約43 | 40 | 82 | 1.9 |
| S04-127-NC | カップラ無し | 40 | 6.42 | 127 | 252 | 28.6 | 39 | 25 | 3/4-14NPT | 24 | 29 | 1 1/2-16NS | 28 | 3/4-14NPT | - | 3 | - | 40 | 82 | 1.9 |
| 型式 | 商品コード | 単位 |
価格 (円) |
基準納期 | |
|---|---|---|---|---|---|
| 日伝 | メーカー | ||||
| S04-50T | S04-50T | P | 43,860 | - | 3日間 |
| S04-50-NC | S04-50-NC | P | 42,300 | - | 3日間 |
| S04-70VC | S04-70VC | P | 45,100 | - | - |
| S04-70S | S04-70S | P | 45,100 | - | 在庫品 |
| S04-70T | S04-70T | P | 46,660 | - | 3日間 |
| S04-70-NC | S04-70-NC | P | 45,100 | - | 3日間 |
| S04-127VC | S04-127VC | P | 52,400 | - | - |
| S04-127S | S04-127S | P | 52,400 | - | 在庫品 |
| S04-127T | S04-127T | P | 53,960 | - | 3日間 |
| S04-127-NC | S04-127-NC | P | 52,400 | - | 3日間 |
製品についてのご質問やお困りごとなどお気軽にご相談ください!