D3.5-100S
-
D3.5-100S
-
D5-50S
-
D10-50S
-
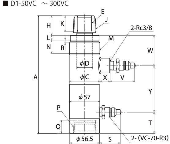
D5-50VC・100VC・150VC
-
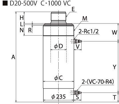
D5-300VC・500VC
・ピストンメッキ付き
理研機器
D3.5-100S
D3.5-100S
D5-50S
D10-50S
D5-50VC・100VC・150VC
D5-300VC・500VC
・ピストンメッキ付き
119件の型式
| 型式 |
付属 カップラ |
ストローク (mm) |
最小全長 A |
シリンダ外径 φC |
ピストン径 φD |
ピストンねじ径 E |
ピストン突出長 H |
キャップねじ径 J |
キャップねじ長 K |
ピストン受長 L |
カラーねじ径 M |
カラーねじ長 N |
ベースねじ径 P |
ベースねじ深さ Q |
ねじにがし長さ R |
カップラ突出長 S(押側)V(引側) |
押側カップラ突出長 S |
押側カップラ位置 T |
押側ボス長 U |
引側カップラ突出長V |
引側カップラ位置 W |
引側ボス長 X |
ポート間位置 Y |
カップラ接続口径 |
必要油量 (cm3) |
概略質量 (kg) |
|---|---|---|---|---|---|---|---|---|---|---|---|---|---|---|---|---|---|---|---|---|---|---|---|---|---|---|
| D5-300C | S-24R | 300 | 589 | 127 | 63.42 | M55×3 | 60 | M92×2.5 | 28 | 12 | M127×2.5 | 55 | M55×3 | 55 | 3 | 約56 | - | 84 | - | - | 89 | - | 356 | Rc1/2 | 2149 | 46.0 |
| D5-300-NC | カップラ無し | 300 | 589 | 127 | 63.42 | M55×3 | 60 | M92×2.5 | 28 | 12 | M127×2.5 | 55 | M55×3 | 55 | 3 | - | - | 84 | - | - | 89 | - | 356 | Rc1/2 | 2149 | 46.0 |
| D5-500VC | VC-70-R4 | 500 | 789 | 127 | 63.42 | M55×3 | 60 | M92×2.5 | 28 | 12 | M127×2.5 | 55 | M55×3 | 55 | 3 | 約45 | - | 84 | - | - | 89 | - | 556 | Rc1/2 | 3582 | 60.5 |
| D5-500C | S-24R | 500 | 789 | 127 | 63.42 | M55×3 | 60 | M92×2.5 | 28 | 12 | M127×2.5 | 55 | M55×3 | 55 | 3 | 約56 | - | 84 | - | - | 89 | - | 556 | Rc1/2 | 3582 | 60.5 |
| D5-500-NC | カップラ無し | 500 | 789 | 127 | 63.42 | M55×3 | 60 | M92×2.5 | 28 | 12 | M127×2.5 | 55 | M55×3 | 55 | 3 | - | - | 84 | - | - | 89 | - | 556 | Rc1/2 | 3582 | 60.5 |
| D10-50VC | VC-70-R4 | 50 | 320 | 171 | 95.15 | M90×3 | 67 | - | - | 7 | M170×3 | 65 | - | - | 5 | 約45 | - | 30 | - | - | 101 | - | 122 | Rc1/2 | 733 | 46 |
| D10-50C | S-24R | 50 | 320 | 171 | 95.15 | M90×3 | 67 | - | - | 7 | M170×3 | 65 | - | - | 5 | 約56 | - | 30 | - | - | 101 | - | 122 | Rc1/2 | 733 | 46 |
| D10-50-NC | カップラ無し | 50 | 320 | 171 | 95.15 | M90×3 | 67 | - | - | 7 | M170×3 | 65 | - | - | 5 | - | - | 30 | - | - | 101 | - | 122 | Rc1/2 | 733 | 46 |
| D10-150VC | VC-70-R4 | 150 | 447 | 171 | 95.15 | M90×3 | 70 | - | - | 7 | M170×3 | 65 | - | - | 5 | 約45 | - | 30 | - | - | 101 | - | 246 | Rc1/2 | 2199 | 62 |
| D10-150C | S-24R | 150 | 447 | 171 | 95.15 | M90×3 | 70 | - | - | 7 | M170×3 | 65 | - | - | 5 | 約56 | - | 30 | - | - | 101 | - | 246 | Rc1/2 | 2199 | 62 |
| 型式 | 商品コード | 単位 |
価格 (円) |
基準納期 | |
|---|---|---|---|---|---|
| 日伝 | メーカー | ||||
| D5-300C | D5-300C | P | 255,000 | - | 在庫品 |
| D5-300-NC | D5-300-NC | P | 257,000 | - | 3日間 |
| D5-500VC | D5-500VC | P | 332,200 | - | - |
| D5-500C | D5-500C | P | 333,000 | - | 在庫品 |
| D5-500-NC | D5-500-NC | P | 335,000 | - | 3日間 |
| D10-50VC | D10-50VC | P | 349,200 | - | - |
| D10-50C | D10-50C | P | 350,000 | - | 在庫品 |
| D10-50-NC | D10-50-NC | P | 352,000 | - | 3日間 |
| D10-150VC | D10-150VC | P | 394,200 | - | - |
| D10-150C | D10-150C | P | 395,000 | - | 在庫品 |
製品についてのご質問やお困りごとなどお気軽にご相談ください!