-
-
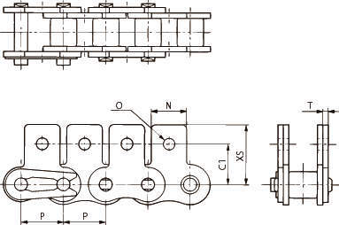
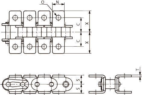
A1アタッチメント
-
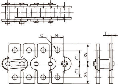
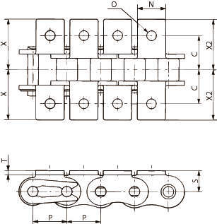
SA1アタッチメント
椿本チエイン
アタッチメント付 RS形チェーン
詳細仕様
738件の型式
| 型式 | タイプ |
チェーン 番号 |
アタッチメント |
ピッチ P (mm) |
ローラ径 R (mm) |
内リンク内幅 W (mm) |
プレート(mm) | ピン(mm) | アタッチメント(mm) |
平均 引張強さ (kN) |
最大 許容張力 (kN) |
概略 質量 (kg/m) |
アタッチメント1個 当たりの付加質量 (kg) |
リンク数 | ||||||||||||||||
|---|---|---|---|---|---|---|---|---|---|---|---|---|---|---|---|---|---|---|---|---|---|---|---|---|---|---|---|---|---|---|
| 型式 | 間隔 | 厚さT | 幅H | ピン径D | L1 | L2 | C | C1 | N | O | S | X | X2 | XS | L3 | L4 | NW(外リンク) | NW(内リンク) | KW | |||||||||||
| RS60-1LSA1 | リンク | RS60 | SA1 | 1L | 19.05 | 11.91 | 12.70 | 2.4 | 18.1 | 5.96 | 12.85 | 14.75 | - | 18.3 | 15.9 | 5.2 | - | - | - | 26.85 | - | - | - | - | - | 40.2 | 6.28 | 1.53 | 0.007 | - |
| RS60-2LSA1 | リンク | RS60 | SA1 | 2L | 19.05 | 11.91 | 12.70 | 2.4 | 18.1 | 5.96 | 12.85 | 14.75 | - | 18.3 | 15.9 | 5.2 | - | - | - | 26.85 | - | - | - | - | - | 40.2 | 6.28 | 1.53 | 0.007 | - |
| RS60-3LSA1 | リンク | RS60 | SA1 | 3L | 19.05 | 11.91 | 12.70 | 2.4 | 18.1 | 5.96 | 12.85 | 14.75 | - | 18.3 | 15.9 | 5.2 | - | - | - | 26.85 | - | - | - | - | - | 40.2 | 6.28 | 1.53 | 0.007 | - |
| RS60-4LSA1 | リンク | RS60 | SA1 | 4L | 19.05 | 11.91 | 12.70 | 2.4 | 18.1 | 5.96 | 12.85 | 14.75 | - | 18.3 | 15.9 | 5.2 | - | - | - | 26.85 | - | - | - | - | - | 40.2 | 6.28 | 1.53 | 0.007 | - |
| RS60-5LSA1 | リンク | RS60 | SA1 | 5L | 19.05 | 11.91 | 12.70 | 2.4 | 18.1 | 5.96 | 12.85 | 14.75 | - | 18.3 | 15.9 | 5.2 | - | - | - | 26.85 | - | - | - | - | - | 40.2 | 6.28 | 1.53 | 0.007 | - |
| RS60-6LSA1 | リンク | RS60 | SA1 | 6L | 19.05 | 11.91 | 12.70 | 2.4 | 18.1 | 5.96 | 12.85 | 14.75 | - | 18.3 | 15.9 | 5.2 | - | - | - | 26.85 | - | - | - | - | - | 40.2 | 6.28 | 1.53 | 0.007 | - |
| RS60-7LSA1 | リンク | RS60 | SA1 | 7L | 19.05 | 11.91 | 12.70 | 2.4 | 18.1 | 5.96 | 12.85 | 14.75 | - | 18.3 | 15.9 | 5.2 | - | - | - | 26.85 | - | - | - | - | - | 40.2 | 6.28 | 1.53 | 0.007 | - |
| RS60-8LSA1 | リンク | RS60 | SA1 | 8L | 19.05 | 11.91 | 12.70 | 2.4 | 18.1 | 5.96 | 12.85 | 14.75 | - | 18.3 | 15.9 | 5.2 | - | - | - | 26.85 | - | - | - | - | - | 40.2 | 6.28 | 1.53 | 0.007 | - |
| RS60-9LSA1 | リンク | RS60 | SA1 | 9L | 19.05 | 11.91 | 12.70 | 2.4 | 18.1 | 5.96 | 12.85 | 14.75 | - | 18.3 | 15.9 | 5.2 | - | - | - | 26.85 | - | - | - | - | - | 40.2 | 6.28 | 1.53 | 0.007 | - |
| RS60-10LSA1 | リンク | RS60 | SA1 | 10L | 19.05 | 11.91 | 12.70 | 2.4 | 18.1 | 5.96 | 12.85 | 14.75 | - | 18.3 | 15.9 | 5.2 | - | - | - | 23.05 | - | - | - | - | - | 40.2 | 6.28 | 1.53 | 0.007 | - |
| 型式 | 商品コード | 単位 |
価格 (円) |
基準納期 | |
|---|---|---|---|---|---|
| 日伝 | メーカー | ||||
| RS60-1LSA1 | RS60-1LSA1-L | L | 162 | - | 15日間 |
| RS60-2LSA1 | RS60-2LSA1-L | L | 141 | - | 15日間 |
| RS60-3LSA1 | RS60-3LSA1-L | L | 130 | - | 25日間 |
| RS60-4LSA1 | RS60-4LSA1-L | L | 120 | - | 25日間 |
| RS60-5LSA1 | RS60-5LSA1-L | L | 111 | - | 25日間 |
| RS60-6LSA1 | RS60-6LSA1-L | L | 111 | - | 25日間 |
| RS60-7LSA1 | RS60-7LSA1-L | L | 111 | - | 25日間 |
| RS60-8LSA1 | RS60-8LSA1-L | L | 111 | - | 25日間 |
| RS60-9LSA1 | RS60-9LSA1-L | L | 111 | - | 25日間 |
| RS60-10LSA1 | RS60-10LSA1-L | L | 111 | - | 25日間 |
関連製品
この製品を見た人はこのような製品も見ています
製品についてのご質問やお困りごとなどお気軽にご相談ください!
Loading...

